[#ANCHOR_MenuBar]
[./c_d_a.html]
[./information.html]
[./index.html]
[mailto:contact@alavis.fr]
[Web Creator] [LMSOFT]
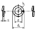
Définition géométrique de la rondelle :
* Rondelle "GROWER"
(DIN 127) Matière : INOX
ALAVIS Distributeur aux particuliers de visseries et boulonneries à l’unité
Bon de commande (.pdf)
Catalogue (.pdf)
Condition de vente à distance
Mention légale
retour page d'accueil
Nous contacter